@bigi1983,
also mein Eigenbau-Thermocall funktioniert so:
Die Schaltuhr hat eine Sofortheiztaste. Drückt man diese, geht die SH für die zuvor programmierte Zeit an (Standard 30 Min.). Drückt man nochmal, geht die SH wieder aus. Ziel war es, diese Taste per Handy zu "verlängern".
Durch das Drücken wird in der Uhr ein Kontakt auf (Fahrzeug-)Masse gelegt. Diesen habe ich auf dem Bild rot markiert. Wir müssen diesen Kontakt also kurz auf Masse ziehen, dann geht die SH an.
Es gibt dazu mehrere Herangehensweisen, was man am Handy zum Schalten nehmen kann: entweder die Display-LED's, den Vibramotor oder irgendeinen Kontakt am Connector, abhängig vom Handy.
Ich habe dazu ein Nokia 6210 für EUR 8,- in der Bucht gekauft. Ich habe das Modell gewählt, weil es sehr gute Empfangseigenschaften und eine sehr lange Akkulaufzeit hat (bei mir jetzt hinfällig) und weil ich die Schaltung so auch schon ähnlich in meinem M6 hatte. Ach ja, und eine Prepaidkarte hatte ich auch noch rumliegen...
Zum Schalten kommen jetzt also Display-LED oder Vibramotor in Frage. Den "Pluspol" einer Display-LED kann man direkt mit dem Input der gezeigten Schaltung verbinden, das ist also die einfache Variante. Ich hab den Vibramotor ausgebaut und durch ein 3V-Relais zum Schalten (per Relais die Handyversorgungsspannung auf Input der Schaltung) ersetzt. Vorteil des Vibramotors: die LED's gehen bei *jedem* Anruf und jeder SMS an, der Vibramotor nur bei authorisierten (VIP) Nummern. Packt man dann noch den SMS-Speicher des Handys voll (per PC-Suite geht das ganz einfach, ca. 150 Stück), dann ist auch bei zufälligen SMS vom Provider etc. Ruhe.
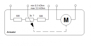
Nun zur Zusatzschaltung. Mit einem positiven Signal (Länge ziemlich egal) am Eingang schaltet sie das ausgangsseitige Relais für etwa 0,25 Sek. durch und simuliert somit den Tastendruck. ABER: der Eingang ist danach für etwa eine Minute gesperrt, so dass ein weiteres Vibrieren oder eine blinkende LED keinen Einfluß mehr hat, die Heizung bleibt sicher an. Erst nach ca. einer Minute kann man durch einen erneuten Impuls (Anruf) erneut schalten. Die Totzeit ist von C1 abhängig. Ich habe dafür 22µF genommen, das entspricht etwa einer halben Minute und reicht mir völlig. Ein Schaltkontakt des ausgangsseitigen Relais ist also mit Masse zu verbinden, der andere mit dem rot markierten Lötpunkt in der Uhr.
Die Uhr selbst ist sehr leicht zu öffnen. Die ist nur zusammengeclipst und kann vorsichtig aufgehebelt werden. Für den Schaltdraht habe ich ein kleines Loch in die Rückwand der Uhr gebohrt, direkt neben dem schon vorhandenen 4-poligen Anschluss. Dann noch das Loch in der Mittelkonsole etwas vergrößert, so dass der Draht mit durchpasst, eh voila!
Das Handy liegt jetzt mit Klettband befestigt von innen auf der Abdeckung unter dem Lenkrad. Da ist auch ein schöner Massepunkt, wo man das Ganze anschließen kann. Ach ja, die Schaltung braucht Dauerplus, das hab ich direkt von der Uhr genommen. Die ist mit 1A abgesichert und das reicht locker noch für die Schaltung und ggf. auch das Handy. Ich hab allerdings noch eine zusätzliche Sicherung rein gemacht (500 mA), bin halt Sicherheitsfreak, was Elektrik angeht. Ach ja, ich hab auch beim Akku das Innenleben raus geworfen, und versorge das Handy mittels einstellbarem Spannungsregler direkt. Aber das ist natürlich optional. Wenn dann noch der Mikrocontroller für das Sitzmemory dazukommt, werde ich wohl noch einen Schaltregler 12V->5V einbauen, das halbiert dan den Stromverbrauch nochmal. Der liegt jetzt im Schnitt (mit Handyversorgung) bei ca. 12 mA. Das geht also laaaange gut.
Wenn das jetzt wirklich jemand nachbauen will und mit meinen Ausführungen nicht klar kommt, kann er sich natürlich gerne per PN melden. Sollte das Interesse groß werden, dann setz ich mich wohl auch hin, und mach mal so ein schickes PDF, wie es bei Bigi üblich ist.
HTH und Gruß aus München, qnick
P.S. Ich hoffe, dass auf dem Schaltplan kein (c)opyright ist. Allerdings gibt's das fertige Produkt nicht mehr. Insofern... Außerdem ist das Bild auch im Forum von microcharge öffentlich zugänglich.