Bremsen runter

Zebolon cx 5

Mitglied
Modell
1. (2011–17)
Motor
2.0 G
die Bremsscheiben sind vermutlich (siehe Foto Nr. 9) von Textar ?
 

Speedy7770

Mitglied
Von welchem Hersteller sind die Scheiben und Klötze. Hast du evtl. eine Teilenummer davon?
Ich habe die 320mm von Werk aus verbaut und schon das zweite Mal Probleme mit den Scheiben - sind schon wieder unwucht…
Gruß
Ich habe damals auch bei Mazda Händler nachgefragt wegen CX-9 Bremsscheiben. Antwort war das die nicht passen weil andere Zentrierungsdurchmesser statt 68mm bei CX-5 und 72mm bei CX-9.
 

Wulli

Mitglied
Sieht auf den Bildern von popielasty tasächlich aus, als wäre das Zentrierloch grösser.
Wenn das so wäre, könnte man die Scheibe ja gar nicht zentrieren und sie würde eiern, da die Bolzenlöcher ja auch grösser sind.:unsure:
 

Zebolon cx 5

Mitglied
Modell
1. (2011–17)
Motor
2.0 G
:unsure: lest ihr die post eigentlich ? Er schreibt doch das er @Amscmich die 320 mm Bremsscheiben schon verbaut hat, und nur wissen möchte von welchem Hersteller seine sind. 🤔
 

Speedy7770

Mitglied
Sieht auf den Bildern von popielasty tasächlich aus, als wäre das Zentrierloch grösser.
Wenn das so wäre, könnte man die Scheibe ja gar nicht zentrieren und sie würde eiern, da die Bolzenlöcher ja auch grösser sind.:unsure:
Richtig. Man kann doch direkt passende Bremsscheiben kaufen. Gibt's doch mehreren Alternativen zur Original Mazda Scheiben.
 

popielasty

Mitglied
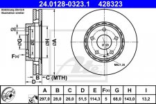
Scheibe: Textar 92315203, passt ab den folgenden, gleichen Abmessungen.

MAZDA CX-5 (KF) 2.2 D AWD 05.2017 129kW / 175hp
MAZDA CX-5 (KF) 2.2 D AWD 05.2017 110kW / 150hp
MAZDA CX-5 (KF) 2.2 D 05.2017 110kW / 150hp
MAZDA CX-5 (KF) 2.2 D AWD 03.2018 138kW / 188hp
MAZDA CX-5 (KF) 2.2 D AWD 06.2018 135kW / 184hp
MAZDA CX-9 (TC) 2.5 T AWD 06.2016 170kW / 231hp

TEXTAR-TARCZA-HAMULCOWA-PRZOD-Producent-czesci-Textar


Pads: Textar 2454401
 

popielasty

Mitglied
Ich habe damals auch bei Mazda Händler nachgefragt wegen CX-9 Bremsscheiben. Antwort war das die nicht passen weil andere Zentrierungsdurchmesser statt 68mm bei CX-5 und 72mm bei CX-9.
Dies war beim CX-9 TB der Fall - die Öffnung war größer. Die Scheiben aus dem CX-9 TC und CX-5 KF 2.2 sind in Ordnung!
 

Zebolon cx 5

Mitglied
Modell
1. (2011–17)
Motor
2.0 G
@Wulli,
die Nabenaufnahne ist mit 68 mm identisch zum G165 Bj. 2014.
 

Anhänge

  • TEXTAR-TARCZA-HAMULCOWA-PRZOD-Producent-czesci-Textar.jpeg.jpg
    TEXTAR-TARCZA-HAMULCOWA-PRZOD-Producent-czesci-Textar.jpeg.jpg
    51,8 KB · Aufrufe: 11
  • 1.jpg
    1.jpg
    55,7 KB · Aufrufe: 11

Speedy7770

Mitglied
Scheibe: Textar 92315203, passt ab den folgenden, gleichen Abmessungen.

MAZDA CX-5 (KF) 2.2 D AWD 05.2017 129kW / 175hp
MAZDA CX-5 (KF) 2.2 D AWD 05.2017 110kW / 150hp
MAZDA CX-5 (KF) 2.2 D 05.2017 110kW / 150hp
MAZDA CX-5 (KF) 2.2 D AWD 03.2018 138kW / 188hp
MAZDA CX-5 (KF) 2.2 D AWD 06.2018 135kW / 184hp
MAZDA CX-9 (TC) 2.5 T AWD 06.2016 170kW / 231hp

TEXTAR-TARCZA-HAMULCOWA-PRZOD-Producent-czesci-Textar


Pads: Textar 2454401
Bezüglich Pads habe ich Zweifel. Laut Katalog passen die für Sumitomo Bremsanlage bei CX-5 KF ist aber Akebono Bremssattel verbaut. Weiß nicht ob die miteinander kompatibel sind. Oder man muss dann auch CX-9 Bremssattel verbauen.
 

Speedy7770

Mitglied
@Speedy7770,
Entschuldigen Sie die erneute Frage - hatten Sie ab Werk Doppelkolbensättel?

Ich schaue mir Ihren Beitrag an: https://www.cx5-forum.de/threads/bremsen-runter.1525/page-63#post-265556 und sehe tatsächlich, dass es zwei Kolben gibt. Ich war davon überzeugt, dass Doppelkolben-Bremssättel nur beim CX-9....
Ja ist richtig, habe ab Werk Doppelkolben Bremsanlage verbaut. Habe schon viel gepostet bezüglich Bremsenwechsel. Es war nicht einfach. Der CX-5 mit 250PS Turbomotor (USA) hat auch diese Bremsanlage bekommen.
 
Oben